De-risking Data Centers with the RTDS® Simulator
Real-time simulation and hardware-in-the-loop (HIL) testing with the RTDS Simulator is a key technology for de-risking data center protection, automation, and control systems. There are increasingly high expectations when it comes to the reliable and secure operation of data centers. HIL testing supports the design and validation of data center electrical architecture, ensuring uninterrupted operation and improving the speed and cost of data center deployment.
HARDWARE-IN-THE-LOOP IS THE MOST COMPREHENSIVE, SYSTEM-LEVEL TESTING SOLUTION FOR REDUCING DATA CENTER DOWNTIME DURING POWER SYSTEM EVENTS

- HIL testing can be performed on protection, power and energy management systems, UPS controls, power plant controllers, and other data center automation.
- Physical devices are interfaced with a simulated power system for comprehensive testing. System performance can be validated and demonstrated in a controlled laboratory environment before being deployed in the field.
HIL TESTING: BUILDING CONFIDENCE FOR DATA CENTER OPERATORS, UTILITIES, AND OTHER STAKEHOLDERS
The RTDS Simulator consists of user-friendly software and parallel processing hardware that runs a detailed model of the power system. Real physical devices - like data center control and protection - are connected to the simulated network via analogue/digital signals or communication protocols such as MODBUS, DNP3, IEC 60870-5-104, and IEC 61850.
DETAILED MODELLING OF DATA CENTER ELECTRICAL ARCHITECTURE
Our software’s modelling library includes everything you need for modelling the electrical characteristics of a data center and the surrounding network. The RTDS Simulator runs electromagnetic transient (EMT) simulations, with the simulation timestep typically in the range of 1 to 50 microseconds.
Data center assets including GPUs, UPS, cooling systems, diesel generators, and more can be simulated in detail using our component library. Dynamic load models can represent the complex and variable nature of data center demand.
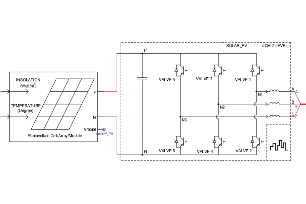
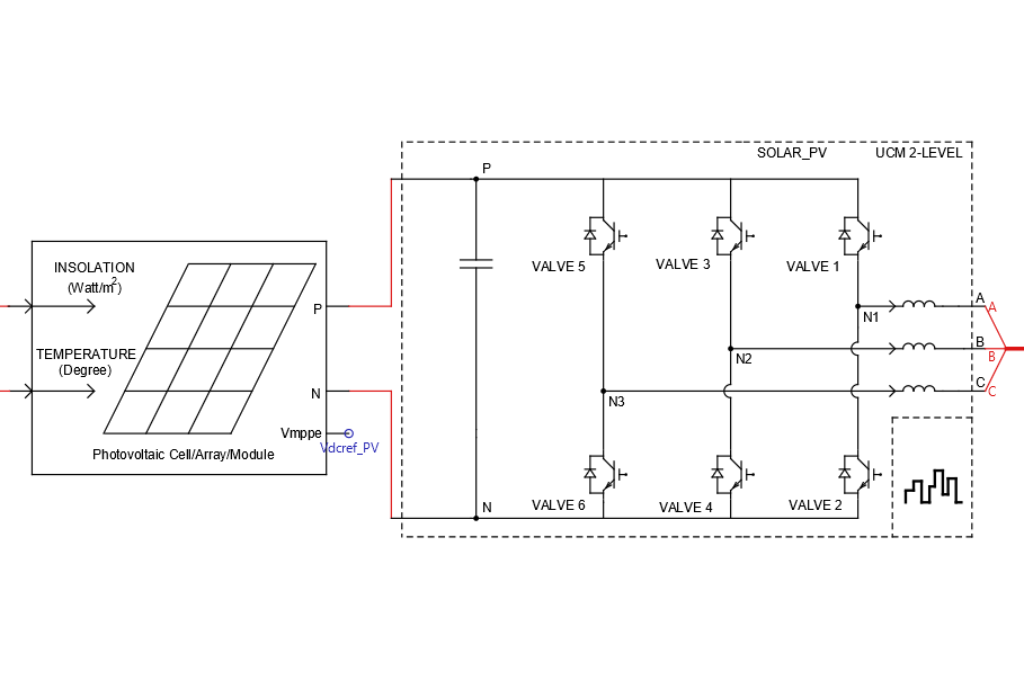
Renewable energy generation and energy storage can be modelled at any scale using our renewable plant models. Solar PV, wind energy, and battery models, paired with detailed or simplified models of inverters, allow insight into coordination between inverter-based resources and variable loads

MODEL INVERTER-BASED RESOURCES IN DETAIL. VENDOR-SPECIFIC BLACK-BOXED CONTROLS CAN BE INCLUDED IN THE SIMULATION VIA
SOFTWARE-IN-THE-LOOP TESTING.
SUCCESS STORIES
Our data center customers have successfully applied the RTDS Simulator for de-risking data center protection and control. Throughout the protection and control development and testing process, thousands of scenarios are run on the RTDS Simulator for comprehensive HIL testing; scripts can be used to automate the testing process. Here are some examples of user findings from the HIL testing process:
- Discovery of coordination errors in relaying schemes due to lack of communication between engineering teams focused on different parts of the data center
- Insufficient protection selectivity in cases such as transformer energization and zone selection
- Discovery of incorrect settings / programming of protective relay elements
- Opportunity for operators to gain experience with the system and provide feedback on functionality
RESOURCES
Access expert insights and technical resources to support the design and operation of resilient, high-performance data centers. These materials provide practical guidance on leveraging real-time simulation for improved reliability, efficiency, and risk mitigation.Download Our Data Center Insert
Comprehensive overview of real-time simulation solutions for data center applications.
DOWNLOAD
Watch Our Webinars
Gain insights from industry experts on power system resilience and optimization for data centers.
